专利号:
CN202111306793.6
摘要:
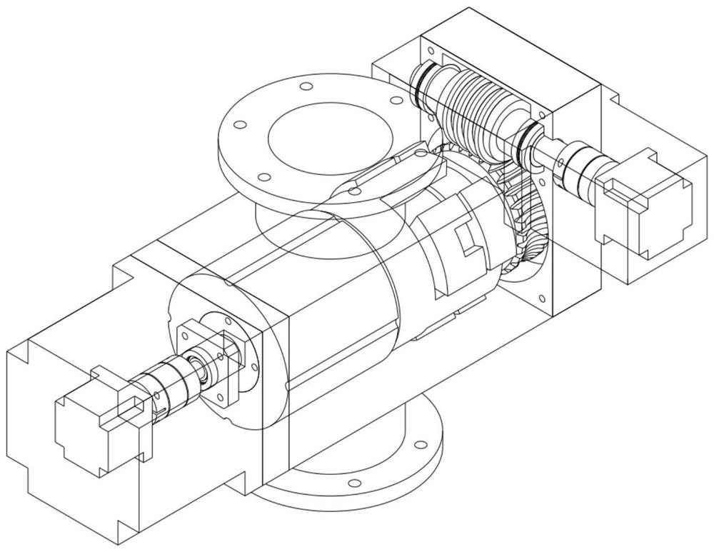
本发明公开了一种基于冲击减振的二维一体化半主动振动控制装置,主要包括:动滑块、冲击振子、定滑块、挡圈、平键轴、蜗轮、蜗杆、电机驱动机构Ⅱ、电机驱动机构Ⅰ、壳体和4个端盖;电机驱动机构Ⅰ、动滑块、冲击振子、定滑块、挡圈、平键轴、蜗轮顺序连接,蜗轮与蜗杆啮合,蜗杆与电机驱动机构Ⅱ相连;壳体与4个端盖连接组成一个具有密闭空腔的外壳,外壳对内部构件进行限位,密闭空腔内部填充阻尼油液;本发明冲击振子可以进行轴向和周向冲击碰撞运动,能够同时抑制轴向振动和扭转振动;并且本发明能够实现轴向直线碰撞间隙的调节和周向旋转方向碰撞夹角的调节;此外,在密封的外壳内部填充阻尼油液,能够进一步抑制轴向振动和扭转振动。
