专利号:CN202020051960.1
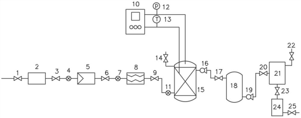
摘要:本实用新型公开了一种生物天然气存用系统。本实用新型系统中的气源预处理单元、水合单元、水合物存储罐、水合物分解器依次通过单向管路连接,水合物分解器的排气口对接气体外排管路;气源预处理单元与水合单元之间的管路上设有阀门和气压表;水合单元与水合物存储罐之间的管路、水合物存储罐与水合物分解器之间的管路上均设有泥浆泵和阀门。本实用新型通过对生物天然气源经过增压、预冷预处理,能进一步提高生物天然气的水合反应效率,进而实现生物天然气的高效存储;此外,本实用新型还具备经济性、安全高效、成本低、能耗低、适应性强等优点。
