专利技术

您当前的位置: 网站首页 > 科技成果 > 专利技术 > 正文

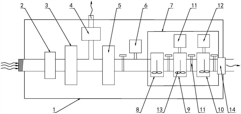
一种基于气体水合物法净化汽车尾气系统
2024-11-05 点击: 作者: 来源:

专利号:CN202020731366.7

摘要:本实用新型公开了一种基于气体水合物法净化汽车尾气系统,属于汽车尾气净化处理设备技术领域。该系统包括壳体及壳体内设置的初级吸附装置、一氧化碳氧化装置、分级水合反应装置,初级吸附装置、一氧化碳氧化装置、分级水合反应装置通过管道依次连接。本实用新型利用气体水合物法通过分级水合反应装置实现高效、低成本净化汽车尾气,形成的水合物可以集中处理和重复利用。