专利号:CN202010751231.1
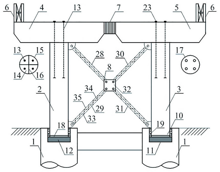
摘要:震后可恢复功能的装配式桥梁双柱墩体系及施工方法,包括桩柱、第一墩柱、第二墩柱、第一盖梁、第二盖梁、双层组合挡块、铅芯橡胶支座、减震消能索、自复位防屈曲支撑和桩墩节点区。第一墩柱和第一盖梁之间、第二墩柱和第二盖梁之间内采用预应力筋、外采用焊接方式连接到一起;第一墩柱和桩柱之间、第二墩柱和桩柱之间通过桩墩节点区过渡,且采用自复位防屈曲支撑加固;第一墩柱和第二墩柱之间交叉布置减震消能索,第一盖梁和第二盖梁之间通过铅芯橡胶支座连接,第一盖梁和第二盖梁的梁端顶面设置双层组合挡块。本发明涉及桥梁双柱墩防震体系,属于桥梁工程领域,施工便捷,具有震后可恢复功能。
