专利号:
CN202110901024.4
摘要:
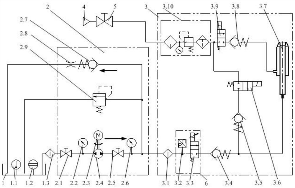
本发明公开一种SCR尿素计量喷射系统,包括供给单元、计量喷射单元及控制单元,供给单元包括驱动源、齿轮泵、压力表、截止阀、溢流阀、单向阀及阻尼孔等,齿轮泵进口通过管路与尿素箱连接,齿轮泵出口分为三路,一路与计量喷射单元联通,一路与溢流阀连接,另一路和单向阀、阻尼孔联通,溢流阀出口、阻尼孔出口与尿素箱联通。压缩空气经由截止阀与计量喷射单元的三联件联通。喷射阶段,计量喷射单元的液路和气路在喷嘴出口处混合,尿素溶液在气体射流牵引作用下被雾化。控制单元主要负责维持系统压力稳定、尿素喷射量调节及工作状态切换等。本发明采用齿轮泵为系统供液,并采用气体辅助雾化的方式,具有不易发生管内结晶、雾化效果好等优势。
