专利技术

您当前的位置: 网站首页 > 科技成果 > 专利技术 > 正文

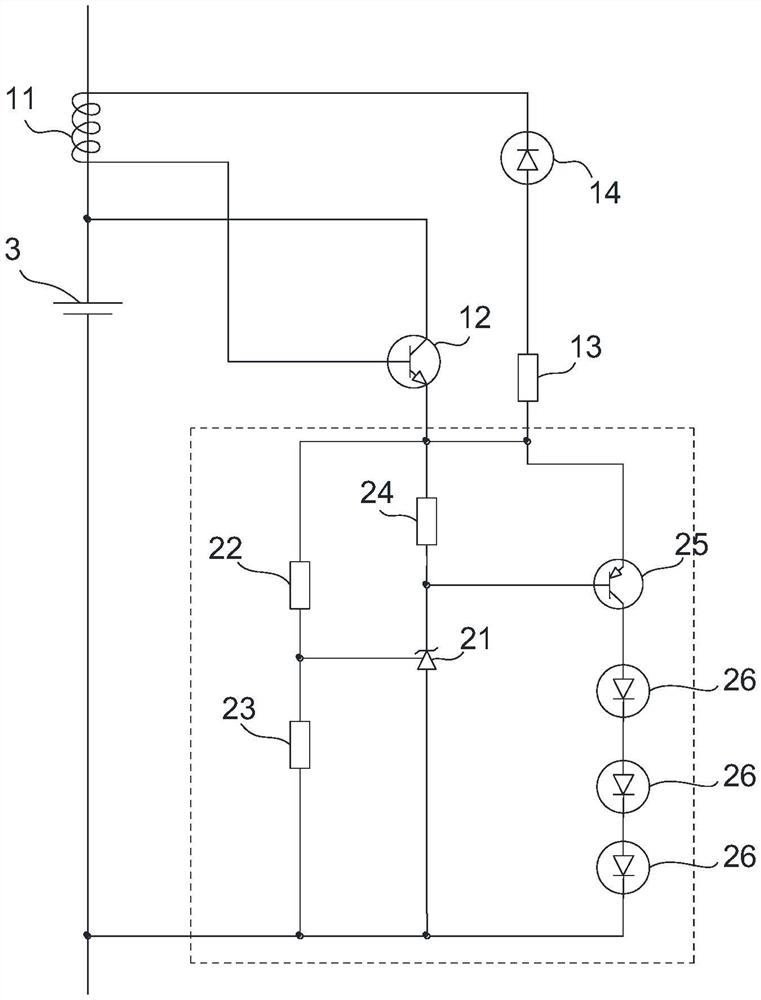
一种锂电池充电均衡电路
2024-05-22 点击: 作者: 来源:

专利号:

CN202121849999.9

摘要:

本实用新型公开了一种锂电池充电均衡电路,包括若干相互串联的锂电池,每个所述锂电池都并联一个均衡模块,所述均衡模块与所述锂电池的正极之间以一个电流识别模块连接。本实用新型的有益效果是:通过电流识别模块来识别该电池组是否处于充电状态,如果处于充电状态,则为其连接均衡模块使得电池组充电均衡。如果电池组不处于充电状态,则断开均衡模块,避免因为均衡模块的接入而消耗电量,使得在不充电的时候自耗电过大。