您当前的位置: 网站首页 > 科技成果 > 专利技术 > 正文
专利号:
CN202221054431.2
摘要:
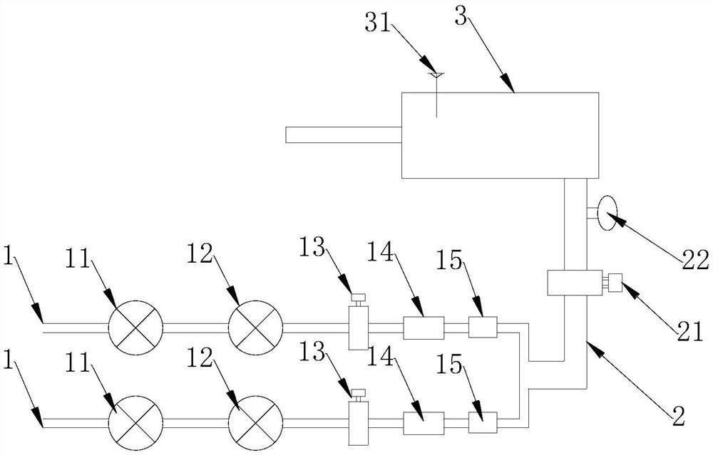
混合气自动配比柜,包括多个待混气通道以及混合气机构,所述待混气通道的出口连接至混合气机构的进口;所述待混气通道上设有减压装置以及流量检测及控制装置,所述流量检测及控制装置对待混气通道内的流量进行检测并控制待混气通道内的流量。通过流量检测及控制装置能够更直观、更快速和更准确地调整待混气的混合比例;并且当故障或变化发生后,使用者可以自行快速发现并自行解决,防止等待维护过程出现停机停产损失。
上一页:一种聚碳酸酯表面耐磨阻燃一体化改性方法
下一页:一种便携式制备氢氧化镍的无膜电解槽