专利号:
CN202221502046.X
摘要:
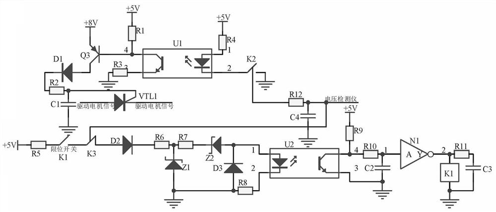
本实用新型模拟电路故障诊断用电压测量装置,设置夹紧通电电路,采用限位开关检测接触夹与导线的夹紧、分离,夹紧时,限位开关闭合,+5V触发光电耦合器U1导通,输出低电平,经延时、非门输出高电平,触发继电器K1延时得电,使得串接在导线中的常开触点闭合,允许导线通电、电压检测仪检测在;设置断电分离电路,在电压检测仪检测完毕,常闭触点K3动作,光电耦合器U2截止、继电器K1失电,导线断电,并经延时触发常开触点K2闭合,光电耦合器U1导通,+8V延时触发晶闸管VTL1导通,允许驱动电机信号驱动电机,允许接触夹对导线进行分离,以此避免夹紧、分离时产生电弧,以及没有泄电,人手接触、电压测量仪检测时,存在伤害人体、仪器的安全隐患问题。
