专利号:
CN202210786373.0
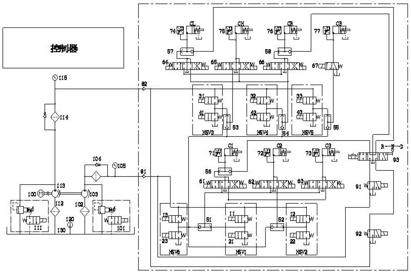
摘要:
一种高速开关阀矩阵数字式换挡缓冲系统及控制方法。涉及数字液压控制系统领域。利用数字液压控制技术将高速开关阀建立液压桥路,组成数字液压阀矩阵,更具控制自主性和灵活性。包含液压动力单元、控制器和数字式离合器液压缸组;数字式离合器液压缸组将离合器分为三个组,分别为挡位数离合器组,功能离合器组和闭锁离合器组;挡位数离合器组液压缸分别前接有第一~三换向阀,功能离合器组液压缸分别前接有第四~六换向阀,锁闭离合器组液压缸前接有二位三通换向阀。采用由两个高速开关阀组成的液压半桥,通过调整PWM控制信号的占空比改变启闭状态,控制单个缸的压力,按照预期目标变化,控制更加灵活自主,从而提高了换挡的平稳性和乘车舒适性。
