专利号:
CN202223316821.5
摘要:
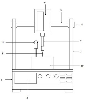
本实用新型公开了一种沥青改性用针入度检测装置,包括:支架,所述支架的上部设置有台板且台板的上部设置有固定架,所述固定架与台板之间固定连接且固定架的内侧设置有螺杆,所述螺杆的表面设置有滑动块且滑动块与螺杆之间螺纹连接,所述螺杆的下部设置有滑动杆且滑动杆的表面两端均设置有固定块。本实用新型在操作台的上部设置有支撑架且支撑架的内侧设置有滑动杆,滑动杆的表面设置有滑动块且滑动块的侧面设置有支撑板,支撑板的表面设置有检测组件且检测组件的下部设置有连接杆,连接杆的下部设置有检测针,采用双支撑结构,大大增加了检测组件的稳定性。
