专利号:
CN202223468108.2
摘要:
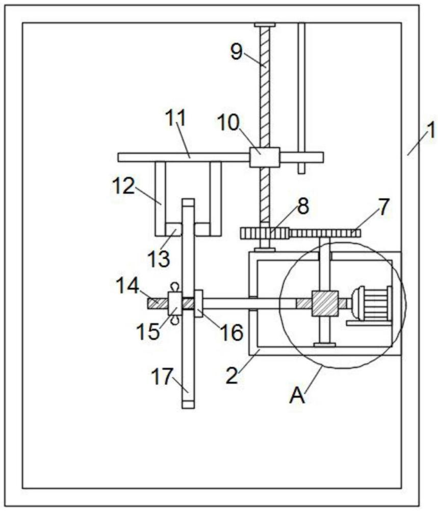
本实用新型公开了一种传动齿轮生产加工设备,包括工作箱,所述工作箱的内壁上固定连接有固定箱,所述固定箱的内壁上固定连接有减速电机,所述减速电机的输出端固定连接有蜗杆,所述蜗杆上啮合连接有蜗轮。本实用新型,通过螺杆、螺母和夹板的配合设置,可以对加工件进行夹持固定,通过减速电机、蜗杆和螺杆可以带动加工件转动,同时,通过蜗杆、蜗轮和转动杆的配合设置,可以带动第一齿轮转动,第一齿轮通过第二齿轮、往复式杠和往复式杠套的配合设置,可以带动横板上下移动,横板通过竖板可以带动打磨块在加工件上上下移动,通过打磨块可以对加工件的两面同时进行打磨,省事省力,进而提高了打磨的速度。
