专利号:CN201510241667.5
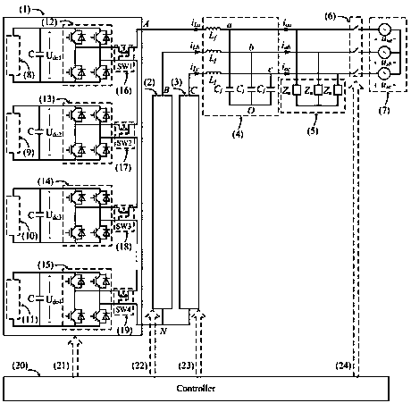
摘要:串联型微电网及其微源之间的功率协调控制方法,同样具有孤岛与并网两种运行常态。该结构下整个系统主要是由A、B、C三个对称子系统组合而成,内部三个对称子系统中H桥微源逆变器是以串联方式连接在一起的。不同主微源直流链配置储能系统,以便抑制直流链电压的波动。另外,通过相应的开关操作还可以实现微源的解列/恢复操作。该结构下系统输出电压谐波含量低、波形的正弦度好;各微源额定工作电压等级低,系统建设成本相对较低;各微源逆变器输出频率与电流相等,系统输出频率稳定与功率协调控制相对简单。
