专利号:CN201710426871.3
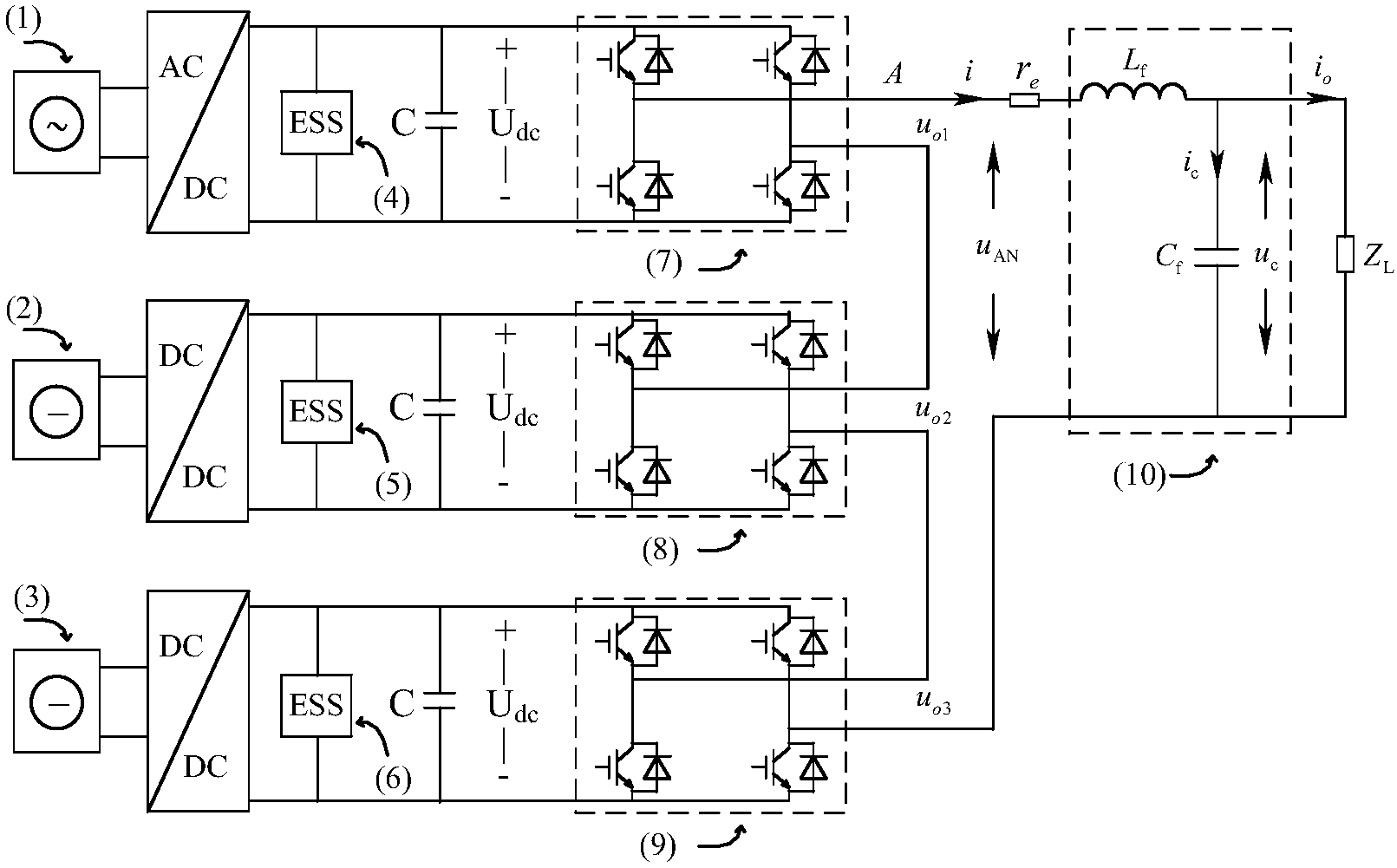
摘要:基于微源最大输出功率的串联型微电网功率协调方法,将微源的最大出力作为优化调度首先考虑的因素,构造与各微源最大输出功率成正比的功率分配系数,考虑到微源逆变器的超调状况,对出力能力偏大的微源的输出功率进行修正,结合载波变幅移相调制方式,由各微源逆变器的功率分配系数控制其三角载波幅值,实现对各微源逆变器输出功率的独立调节。该方法实现了各微源按“能者多劳”原则输出功率,由功率分配系数所得到的载波信号实现了各微源之间的功率协调分配,并能保证串联型微电网输出电压的稳定。
