专利号:CN201810649273.7
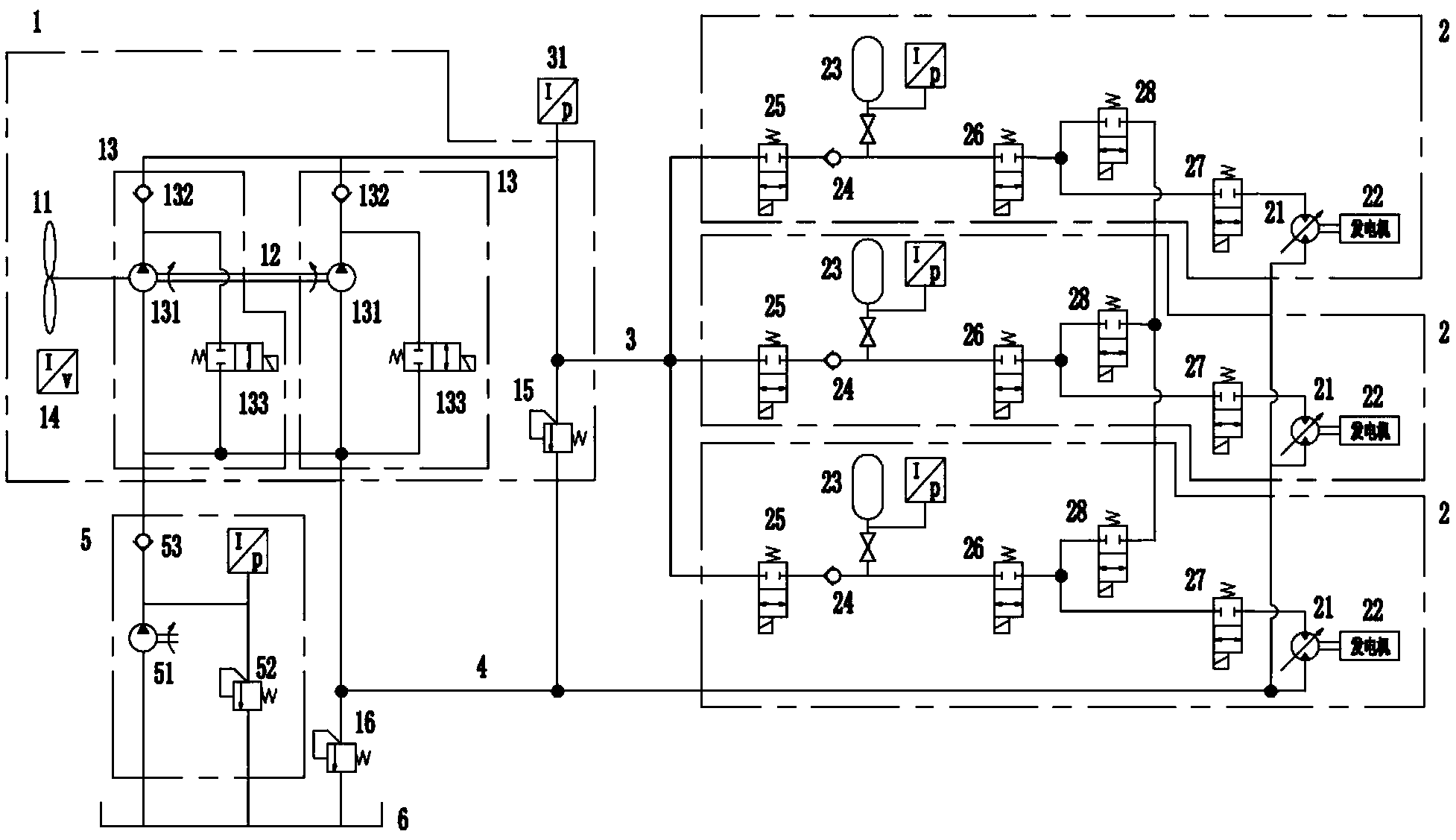
摘要:本发明属于风力发电技术领域,具体涉及一种多级液压型风力发电机组。为了解决采用液压型风力发电机组进行风力发电时,存在风能利用率低和发电品质低的问题,本发明公开了一种多级液压型风力发电机组。该风力发电机组,包括多级液压泵系统和多级液压马达发电系统,多级液压泵系统由多个同轴串联安装和油路并联的不同排量的泵组组成,多级液压马达发电系统由多个不同储能压力的蓄能器和多个不同发电功率的发电机组成。采用本发明的多级液压型风力发电机组进行发电,不仅可以减小系统中的液压损失,提高对风能的利用率以及系统对风能的转换效率,而且可以选择最适应功率的发电机进行发电操作,提高整个发电机组的发电效率和品质。
