专利号:CN201920917783.8
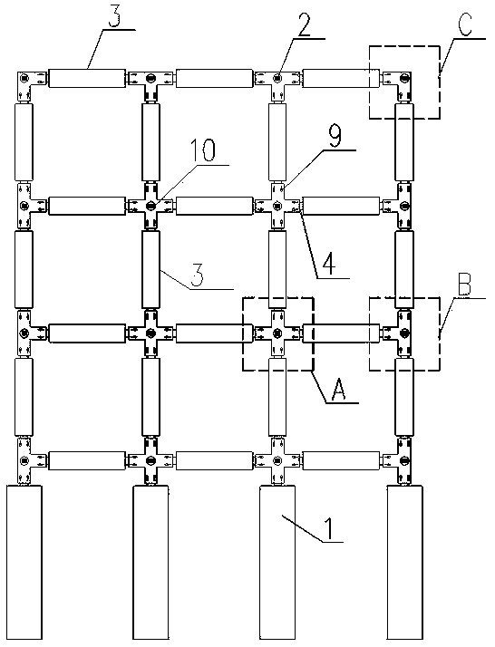
摘要:本实用新型涉及一种节点连接部件以及框架预应力锚索支护结构,该节点连接部件包括上部板(5)、下部板(6)以及设在两者之间的侧面板(7),上部板与下部板在需要连接待拼接对象的方向均具有供预留主筋(4)穿过的钢筋孔(9),中心位置具有供预应力锚索(2)穿过的竖向锚索孔(10)。待拼接对象包括预制梁(3)、预制桩基(1),其在需要连接的端部具有预留主筋。本实用新型节点连接部件结构简单,装配方便快捷,不仅省工省时,节约成本,还有效提高了工程质量。同时,对于使用该种节点连接部件的支护结构,实现了预制梁、预制桩基和节点连接部件的标准件预制,简化了施工步骤,且不受天气影响,极大的降低了施工难度。
