专利号:CN201921115846.4
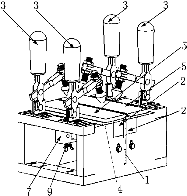
摘要:本实用新型涉及一种焊剂片约束电弧焊焊接T型接头的夹具,包括底座,都设在底座上的芯板放置槽(1)、铜垫块(2)和压紧部件(3),以及用于放置在待焊接面板(4)上的陶瓷板(5);芯板放置槽在底座上沿竖向开设;两个铜垫块设在芯板放置槽顶部左右两侧,上表面用于放置待焊接面板;压紧部件用于在陶瓷板放置好后将其向下压紧;陶瓷板开设有贯通的槽口,用于插入并固定焊剂片。本实用新型既实现了对芯板、面板以及陶瓷板的加紧固定,而且通过陶瓷板上槽口的设置实现了对焊剂片快速、稳定的夹紧固定,不仅提高了可焊性、便利性,也保证了焊剂片约束电弧焊接接头的质量。同时,本实用新型还具有结构简单、操作方便、易于拆装等特点。
