专利号:CN201911117656.0
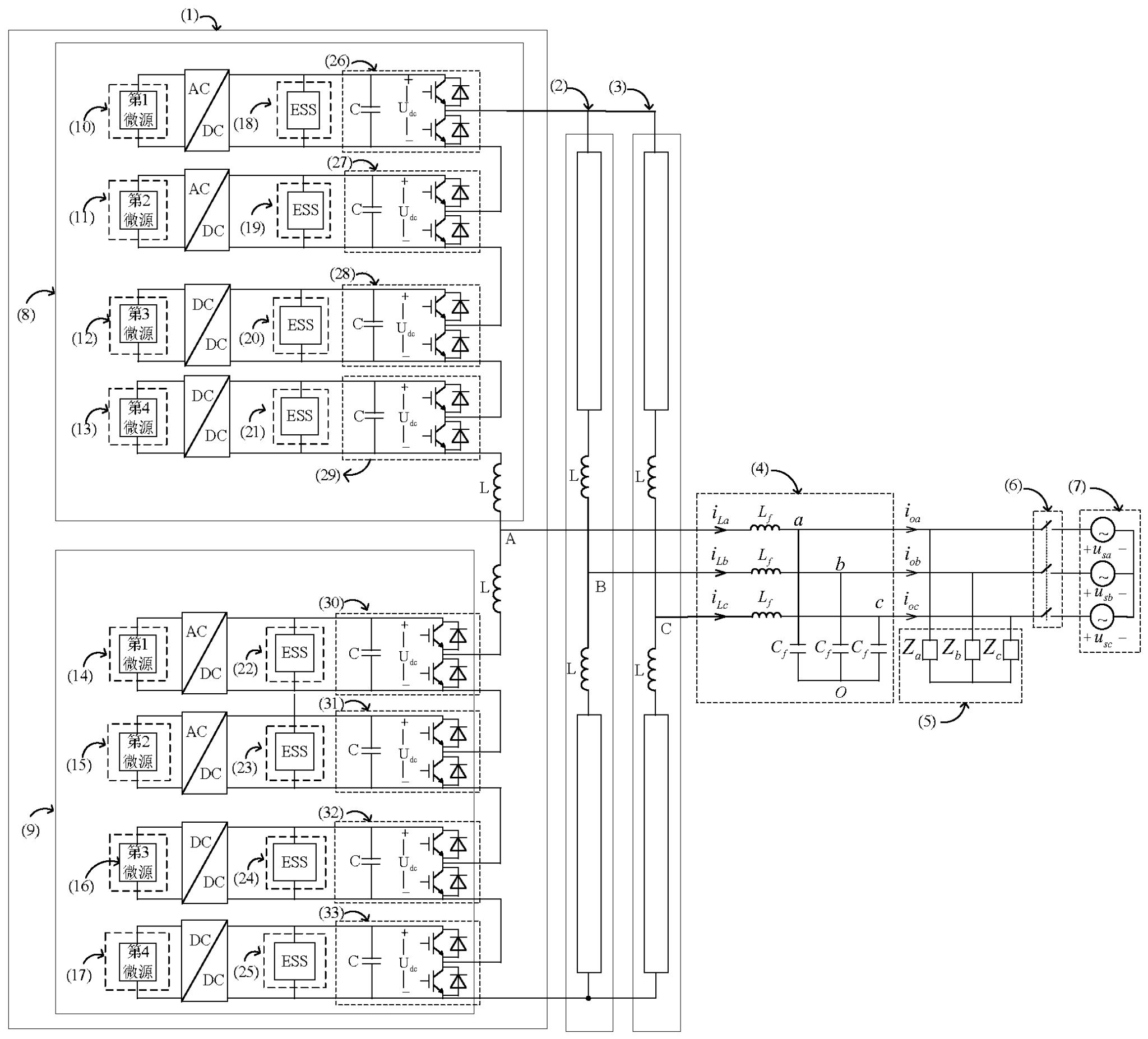
摘要:适用于MMC半桥串联结构微电网的微源功率协调方法,对系统随机性微源输出功率进行采样,结合电压波动标准,采用变分模态分解提取其输出功率的低频分量,以此作为各微源的有效输出功率。根据功率大小调整各发电单元的变载波等效占空比,实现输出功率独立控制。该方法实现了系统桥臂各微源的输出功率自适应协调控制,且不会引起系统环流变化,确保系统输出电压及频率的稳定。本发明采用变分模态分解提取微源有效输出功率,并根据各微源有效输出功率排序结果,通过独立调节微源所在发电单元的变载波等效占空比实现功率自适应协调控制,提高可再生能源利用率,确保系统稳定运行。
