专利号:CN201910850191.3
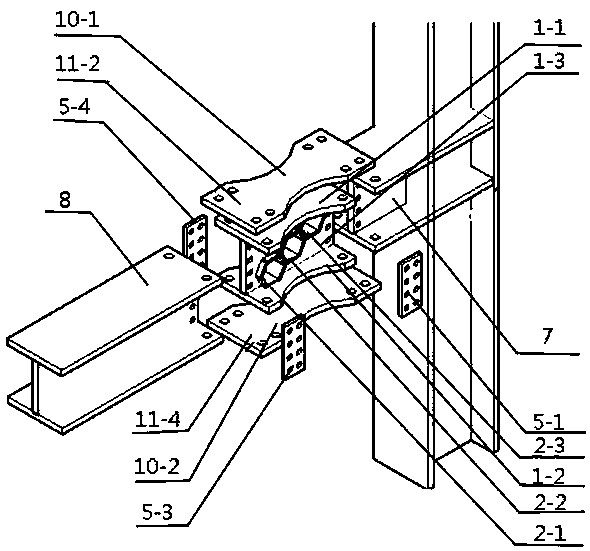
摘要:一种蜂窝式钢梁端部可替换塑性铰节点,第一部分为本体部分,第二部分为本装置与腹板的连接部分,第三部分为本装置与上翼缘和下翼缘的连接部分,在本体部分中,上翼缘(1‑1)和下翼缘(1‑2)均为削弱型翼缘;腹板(1‑3)上有正六边形环(2‑1),正六边形环(2‑2)和正六边形环(2‑3);每个正六边形环中部有凹槽(6);第二部分为本装置与腹板的连接部分,腹板(1‑3)两侧通过连接板(5‑1)和连接板(5‑2)与柱侧梁(7)相连,通过连接板(5‑3)和连接板(5‑4)与梁(8)相连;第三部分为本装置与上翼缘和下翼缘的连接部分,上翼缘(1‑1)通过削弱型连接板(10‑1)与柱侧梁(7)和梁(8)相连。
