专利号:CN202022552811.6
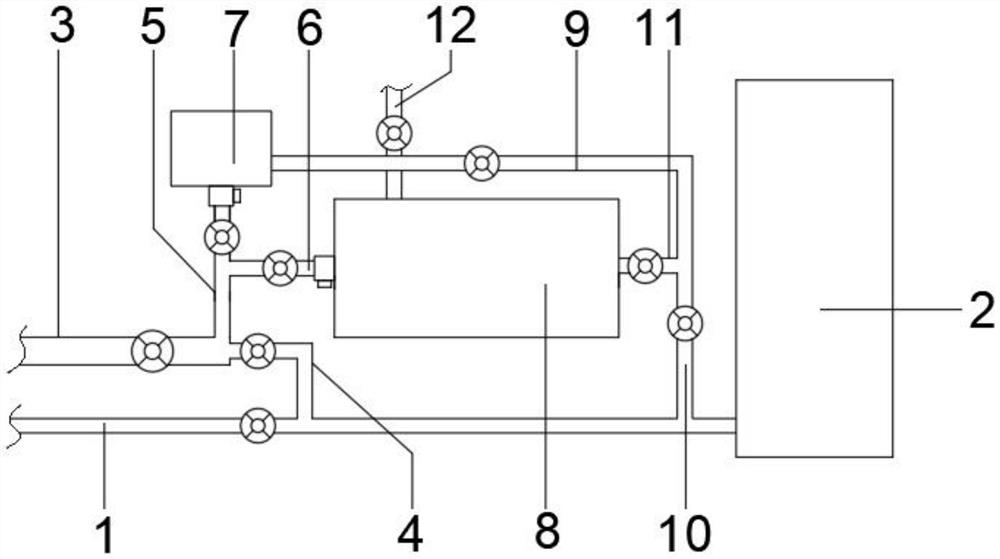
摘要:本实用新型提供了居民住宅小区雨水污水综合和利用系统,包括:污水管、污水处理厂、雨水管;所述污水管接入污水处理厂;所述雨水管设置在污水管的一侧;所述第一并流管设置在雨水管的端部,且第一并流管的两端分别与污水管及雨水管相连接;所述第一支管设置在雨水管的侧部,且第一支管的端部设置有集污池;所述第二支管设置在第一支管的侧部,且第二支管的端部设置有蓄水池;所述第一出水管设置在集污池的侧部,且第一出水管的端部与第二并流管相连接;通过对现有装置的改进,该系统具有能够有效降低污水管网压力、水处理效果好、更加环保的优点,从而有效的解决了本实用新型在背景技术一项中提出的问题和不足。
