专利技术

您当前的位置: 网站首页 > 科技成果 > 专利技术 > 正文

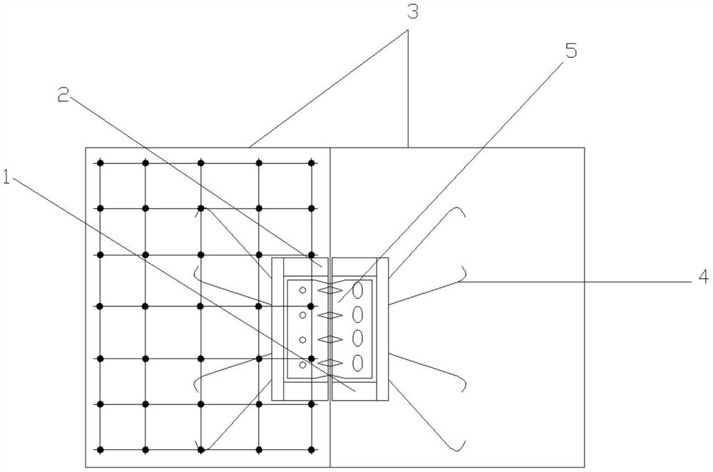
一种基于性能设计的预制装配式混凝土楼板拼缝连接器
2024-07-05 点击: 作者: 来源:

专利号:

CN202120360532.1

摘要:

本实用新型提供了一种基于性能设计的预制装配式混凝土楼板拼缝连接器,包括两块耗能钢板,两块所述耗能钢板之间可拆卸连接预埋件,所述预埋件的两端均设于预制楼板中,两块所述耗能钢板的两侧均设有多根第一锚筋,多根所述第一锚筋的另一端均设于所述预制楼板中,两块所述耗能钢板上设有承载机构。本实用新型通过将两块耗能钢板将两端预埋在预制楼板中的预埋件进行可拆卸连接,同时通过在两块耗能钢板上设置承载机构,通过承载机构达到不同的减震效果。