专利号:
CN202221204898.0
摘要:
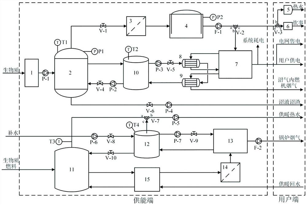
一种以生物质能输入的热电气肥联供系统,属能源利用及转化技术领域。系统以生物质能为输入,热、电、气和沼液沼渣为输出。生物质经过预处理后进行恒温厌氧发酵转化为沼气和沼液沼渣,沼气经过净化装置后进入贮气罐贮存,贮存沼气一部分直供用户端,用于满足炊事和燃气热水器的用气需求,剩余沼气进入沼气发电机进行热电联产,沼液沼渣供用户作有机肥使用;生物质燃料送入生物质直燃锅炉燃烧来生产供暖热水,锅炉烟气首先进入省煤器回收部分烟气余热,接着通过烟气净化装置,最终通过空气源热泵回收生物质锅炉烟气潜热;蓄热系统用于调节能量供需匹配的问题。
