专利号:
CN202222801825.6
摘要:
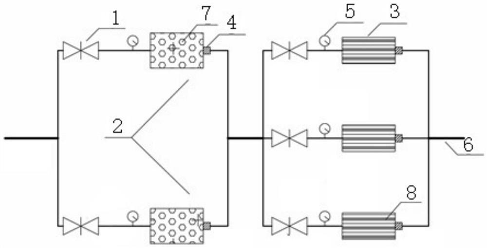
本实用新型公开了一种电絮凝与氧化镧吸附去除污水中磷含量的串并联装置,包括阀门、电解池和多个氧化镧改性沸石反应区,多个氧化镧改性沸石反应区之间并联,在氧化镧改性沸石反应区包括不锈钢水管和若干氧化镧改性沸石反应柱柱体,氧化镧改性沸石反应柱柱体贴合在不锈钢水管的内壁上,电解池和氧化镧改性沸石反应区上均设置有进水口和出水口,在每个电解池、氧化镧改性沸石反应区的进水口均设置有阀门。其作用有二:第一,各阀门可以控制每个部分的进水量,可根据不同污水控制处理时间和水流量;第二,若某一部分或环节出现故障,即可立即关闭阀门,使其停止工作,快速检修,在检修的同时,其余各部分照常工作,不影响整体水体处理工作的进行。
